LEMON Manuals: Even more car manuals for everyone: 1960-2025
Home >> Toyota >> 2016 >> Corolla LE >> Repair and Diagnosis >> Electrical >> Body Electrical >> OEM System Circuits >> Power Source >> System Diagrams
April 5, 2026: LEMON Manuals is launched! Read the announcement.

System Diagrams

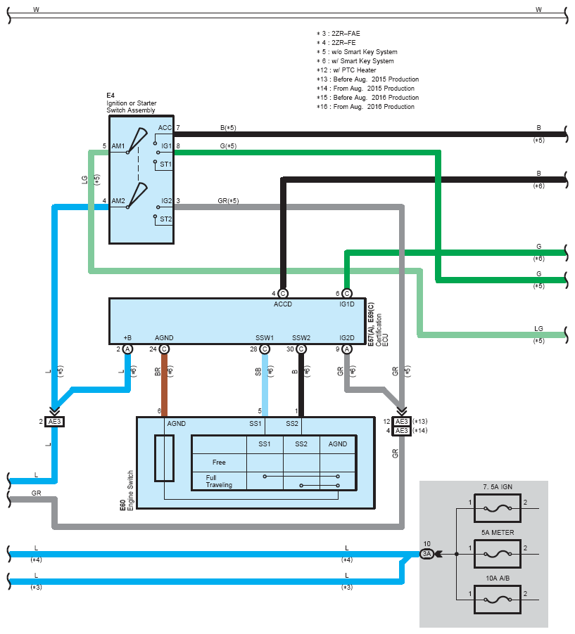
Fig 1: Power Source (1 Of 6)
G12199656Courtesy of © TOYOTA, LICENSE AGREEMENT TMS1002
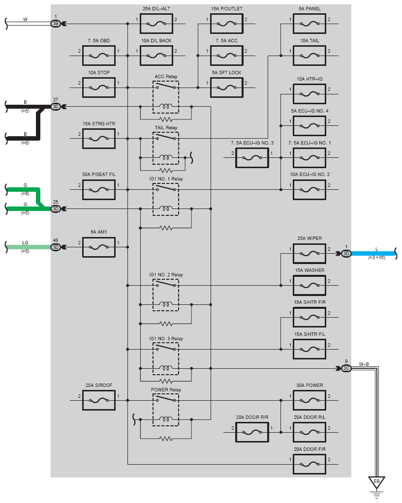
Fig 2: Power Source (2 Of 6)
G12199657Courtesy of © TOYOTA, LICENSE AGREEMENT TMS1002
Fig 3: Power Source (3 Of 6)
G12199658Courtesy of © TOYOTA, LICENSE AGREEMENT TMS1002
Fig 4: Power Source (4 Of 6)
G12199659Courtesy of © TOYOTA, LICENSE AGREEMENT TMS1002
Fig 5: Power Source (5 Of 6)
G12199660Courtesy of © TOYOTA, LICENSE AGREEMENT TMS1002
Fig 6: Power Source (6 Of 6)
G12199661Courtesy of © TOYOTA, LICENSE AGREEMENT TMS1002