LEMON Manuals: Even more car manuals for everyone: 1960-2025
Home >> Toyota >> 2016 >> Prius C Three >> Repair and Diagnosis >> Electrical >> Body Electrical >> OEM System Circuits >> Back Door Opener (W/Smart Key System), Hybrid Vehicle Immobilizer System (W/Smart Key System), Smart Key System, Starting (W/Smart Key System), Steering Lock (W/Smart Key System), Wireless Door Lock Control (W/Smart Key System) >> System Diagrams
April 5, 2026: LEMON Manuals is launched! Read the announcement.

System Diagrams

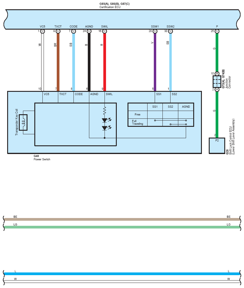
Fig 1: Back Door Opener (W/Smart Key System), Hybrid Vehicle Immobilizer System (W/Smart Key System), Smart Key System, Starting (W/Smart Key System), Steering Lock (W/Smart Key System), Wireless Door Lock Control (W/Smart Key System) (1 Of 18)
G12211390Courtesy of © TOYOTA, LICENSE AGREEMENT TMS1002
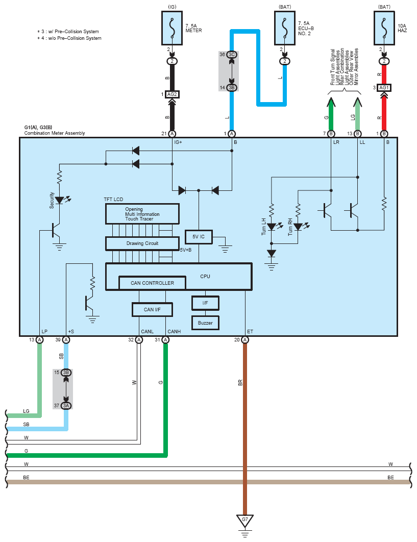
Fig 2: Back Door Opener (W/Smart Key System), Hybrid Vehicle Immobilizer System (W/Smart Key System), Smart Key System, Starting (W/Smart Key System), Steering Lock (W/Smart Key System), Wireless Door Lock Control (W/Smart Key System) (2 Of 18)
G12211391Courtesy of © TOYOTA, LICENSE AGREEMENT TMS1002
Fig 3: Back Door Opener (W/Smart Key System), Hybrid Vehicle Immobilizer System (W/Smart Key System), Smart Key System, Starting (W/Smart Key System), Steering Lock (W/Smart Key System), Wireless Door Lock Control (W/Smart Key System) (3 Of 18)
G12211392Courtesy of © TOYOTA, LICENSE AGREEMENT TMS1002
Fig 4: Back Door Opener (W/Smart Key System), Hybrid Vehicle Immobilizer System (W/Smart Key System), Smart Key System, Starting (W/Smart Key System), Steering Lock (W/Smart Key System), Wireless Door Lock Control (W/Smart Key System) (4 Of 18)
G12211393Courtesy of © TOYOTA, LICENSE AGREEMENT TMS1002
Fig 5: Back Door Opener (W/Smart Key System), Hybrid Vehicle Immobilizer System (W/Smart Key System), Smart Key System, Starting (W/Smart Key System), Steering Lock (W/Smart Key System), Wireless Door Lock Control (W/Smart Key System) (5 Of 18)
G12211394Courtesy of © TOYOTA, LICENSE AGREEMENT TMS1002
Fig 6: Back Door Opener (W/Smart Key System), Hybrid Vehicle Immobilizer System (W/Smart Key System), Smart Key System, Starting (W/Smart Key System), Steering Lock (W/Smart Key System), Wireless Door Lock Control (W/Smart Key System) (6 Of 18)
G12211395Courtesy of © TOYOTA, LICENSE AGREEMENT TMS1002
Fig 7: Back Door Opener (W/Smart Key System), Hybrid Vehicle Immobilizer System (W/Smart Key System), Smart Key System, Starting (W/Smart Key System), Steering Lock (W/Smart Key System), Wireless Door Lock Control (W/Smart Key System) (7 Of 18)
G12211396Courtesy of © TOYOTA, LICENSE AGREEMENT TMS1002
Fig 8: Back Door Opener (W/Smart Key System), Hybrid Vehicle Immobilizer System (W/Smart Key System), Smart Key System, Starting (W/Smart Key System), Steering Lock (W/Smart Key System), Wireless Door Lock Control (W/Smart Key System) (8 Of 18)
G12211397Courtesy of © TOYOTA, LICENSE AGREEMENT TMS1002
Fig 9: Back Door Opener (W/Smart Key System), Hybrid Vehicle Immobilizer System (W/Smart Key System), Smart Key System, Starting (W/Smart Key System), Steering Lock (W/Smart Key System), Wireless Door Lock Control (W/Smart Key System) (9 Of 18)
G12211398Courtesy of © TOYOTA, LICENSE AGREEMENT TMS1002
Fig 10: Back Door Opener (W/Smart Key System), Hybrid Vehicle Immobilizer System (W/Smart Key System), Smart Key System, Starting (W/Smart Key System), Steering Lock (W/Smart Key System), Wireless Door Lock Control (W/Smart Key System) (10 Of 18)
G12211399Courtesy of © TOYOTA, LICENSE AGREEMENT TMS1002
Fig 11: Back Door Opener (W/Smart Key System), Hybrid Vehicle Immobilizer System (W/Smart Key System), Smart Key System, Starting (W/Smart Key System), Steering Lock (W/Smart Key System), Wireless Door Lock Control (W/Smart Key System) (11 Of 18)
G12211400Courtesy of © TOYOTA, LICENSE AGREEMENT TMS1002
Fig 12: Back Door Opener (W/Smart Key System), Hybrid Vehicle Immobilizer System (W/Smart Key System), Smart Key System, Starting (W/Smart Key System), Steering Lock (W/Smart Key System), Wireless Door Lock Control (W/Smart Key System) (12 Of 18)
G12211401Courtesy of © TOYOTA, LICENSE AGREEMENT TMS1002
Fig 13: Back Door Opener (W/Smart Key System), Hybrid Vehicle Immobilizer System (W/Smart Key System), Smart Key System, Starting (W/Smart Key System), Steering Lock (W/Smart Key System), Wireless Door Lock Control (W/Smart Key System) (13 Of 18)
G12211402Courtesy of © TOYOTA, LICENSE AGREEMENT TMS1002
Fig 14: Back Door Opener (W/Smart Key System), Hybrid Vehicle Immobilizer System (W/Smart Key System), Smart Key System, Starting (W/Smart Key System), Steering Lock (W/Smart Key System), Wireless Door Lock Control (W/Smart Key System) (14 Of 18)
G12211403Courtesy of © TOYOTA, LICENSE AGREEMENT TMS1002
Fig 15: Back Door Opener (W/Smart Key System), Hybrid Vehicle Immobilizer System (W/Smart Key System), Smart Key System, Starting (W/Smart Key System), Steering Lock (W/Smart Key System), Wireless Door Lock Control (W/Smart Key System) (15 Of 18)
G12211404Courtesy of © TOYOTA, LICENSE AGREEMENT TMS1002
Fig 16: Back Door Opener (W/Smart Key System), Hybrid Vehicle Immobilizer System (W/Smart Key System), Smart Key System, Starting (W/Smart Key System), Steering Lock (W/Smart Key System), Wireless Door Lock Control (W/Smart Key System) (16 Of 18)
G12211405Courtesy of © TOYOTA, LICENSE AGREEMENT TMS1002
Fig 17: Back Door Opener (W/Smart Key System), Hybrid Vehicle Immobilizer System (W/Smart Key System), Smart Key System, Starting (W/Smart Key System), Steering Lock (W/Smart Key System), Wireless Door Lock Control (W/Smart Key System) (17 Of 18)
G12211406Courtesy of © TOYOTA, LICENSE AGREEMENT TMS1002
Fig 18: Back Door Opener (W/Smart Key System), Hybrid Vehicle Immobilizer System (W/Smart Key System), Smart Key System, Starting (W/Smart Key System), Steering Lock (W/Smart Key System), Wireless Door Lock Control (W/Smart Key System) (18 Of 18)
G12211407Courtesy of © TOYOTA, LICENSE AGREEMENT TMS1002