LEMON Manuals: Even more car manuals for everyone: 1960-2025
Home >> Toyota >> 2017 >> Land Cruiser >> Repair and Diagnosis >> Electrical >> Body Electrical >> OEM System Circuits >> Power Source >> System Diagrams
April 5, 2026: LEMON Manuals is launched! Read the announcement.

System Diagrams

Fig 1: Power Source (1 Of 5)
G12206646Courtesy of © TOYOTA, LICENSE AGREEMENT TMS1002
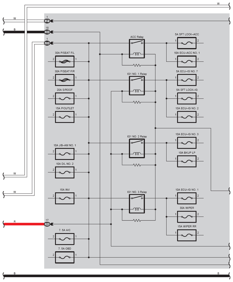
Fig 2: Power Source (2 Of 5)
G12206647Courtesy of © TOYOTA, LICENSE AGREEMENT TMS1002
Fig 3: Power Source (3 Of 5)
G12206648Courtesy of © TOYOTA, LICENSE AGREEMENT TMS1002
Fig 4: Power Source (4 Of 5)
G12206649Courtesy of © TOYOTA, LICENSE AGREEMENT TMS1002
Fig 5: Power Source (5 Of 5)
G12206650Courtesy of © TOYOTA, LICENSE AGREEMENT TMS1002