LEMON Manuals: Even more car manuals for everyone: 1960-2025
Home >> Toyota >> 2017 >> Mirai >> Repair and Diagnosis >> Electrical >> Body Electrical >> OEM System Circuits >> Audio System, Navigation System, Rear View Monitor System >> System Diagrams
April 5, 2026: LEMON Manuals is launched! Read the announcement.

System Diagrams

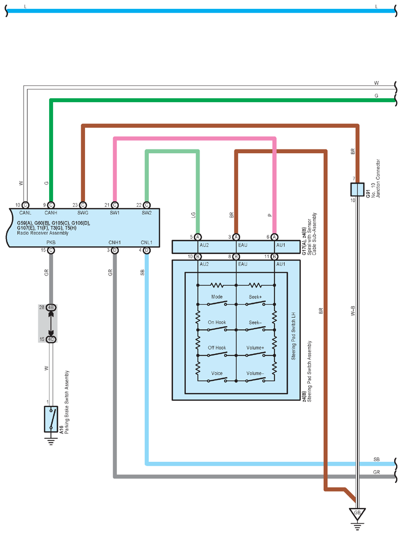
Fig 1: Audio System, Navigation System, Rear View Monitor System (1 Of 10)
G12204051Courtesy of © TOYOTA, LICENSE AGREEMENT TMS1002
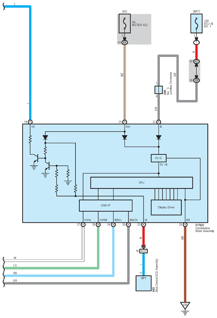
Fig 2: Audio System, Navigation System, Rear View Monitor System (2 Of 10)
G12204052Courtesy of © TOYOTA, LICENSE AGREEMENT TMS1002
Fig 3: Audio System, Navigation System, Rear View Monitor System (3 Of 10)
G12204053Courtesy of © TOYOTA, LICENSE AGREEMENT TMS1002
Fig 4: Audio System, Navigation System, Rear View Monitor System (4 Of 10)
G12204054Courtesy of © TOYOTA, LICENSE AGREEMENT TMS1002
Fig 5: Audio System, Navigation System, Rear View Monitor System (5 Of 10)
G12204055Courtesy of © TOYOTA, LICENSE AGREEMENT TMS1002
Fig 6: Audio System, Navigation System, Rear View Monitor System (6 Of 10)
G12204056Courtesy of © TOYOTA, LICENSE AGREEMENT TMS1002
Fig 7: Audio System, Navigation System, Rear View Monitor System (7 Of 10)
G12204057Courtesy of © TOYOTA, LICENSE AGREEMENT TMS1002
Fig 8: Audio System, Navigation System, Rear View Monitor System (8 Of 10)
G12204058Courtesy of © TOYOTA, LICENSE AGREEMENT TMS1002
Fig 9: Audio System, Navigation System, Rear View Monitor System (9 Of 10)
G12204059Courtesy of © TOYOTA, LICENSE AGREEMENT TMS1002
Fig 10: Audio System, Navigation System, Rear View Monitor System (10 Of 10)
G12204060Courtesy of © TOYOTA, LICENSE AGREEMENT TMS1002