LEMON Manuals: Even more car manuals for everyone: 1960-2025
Home >> Toyota >> 2017 >> Mirai >> Repair and Diagnosis >> Electrical >> Body Electrical >> OEM System Circuits >> EV Control System, FC Control System, Fuel Lid Opener, Hydrogen Control System, Shift Control System >> System Diagrams
April 5, 2026: LEMON Manuals is launched! Read the announcement.

System Diagrams

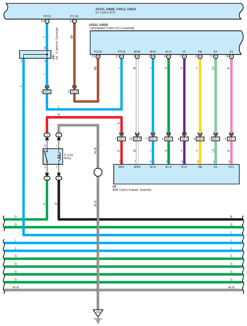
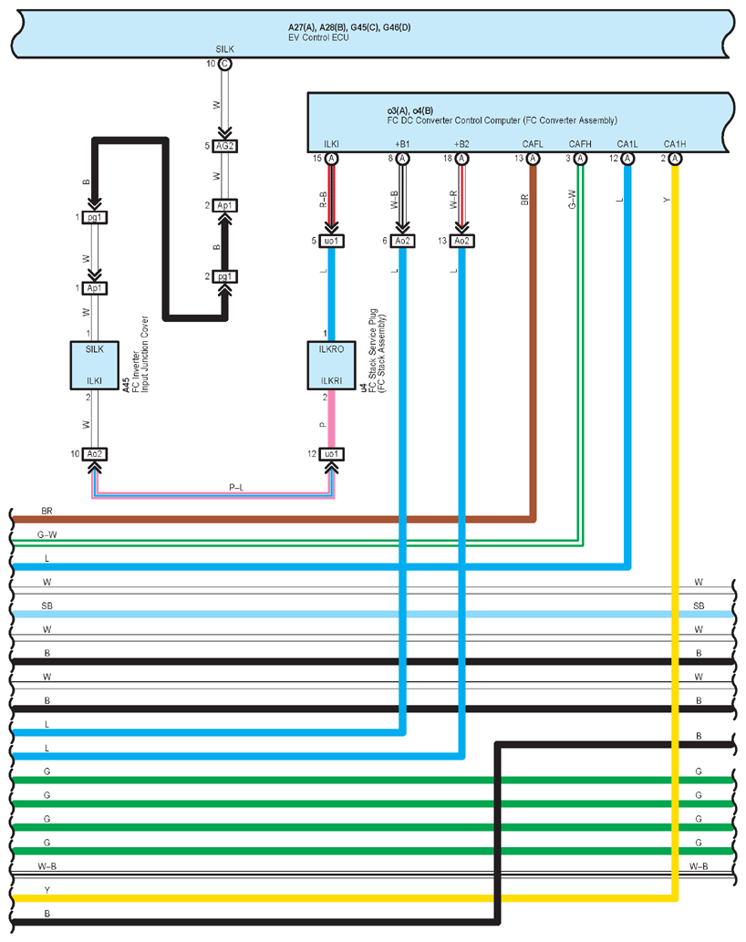
Fig 1: EV Control System, FC Control System, Fuel Lid Opener, Hydrogen Control System, Shift Control System (1 Of 65)
G12204161Courtesy of © TOYOTA, LICENSE AGREEMENT TMS1002
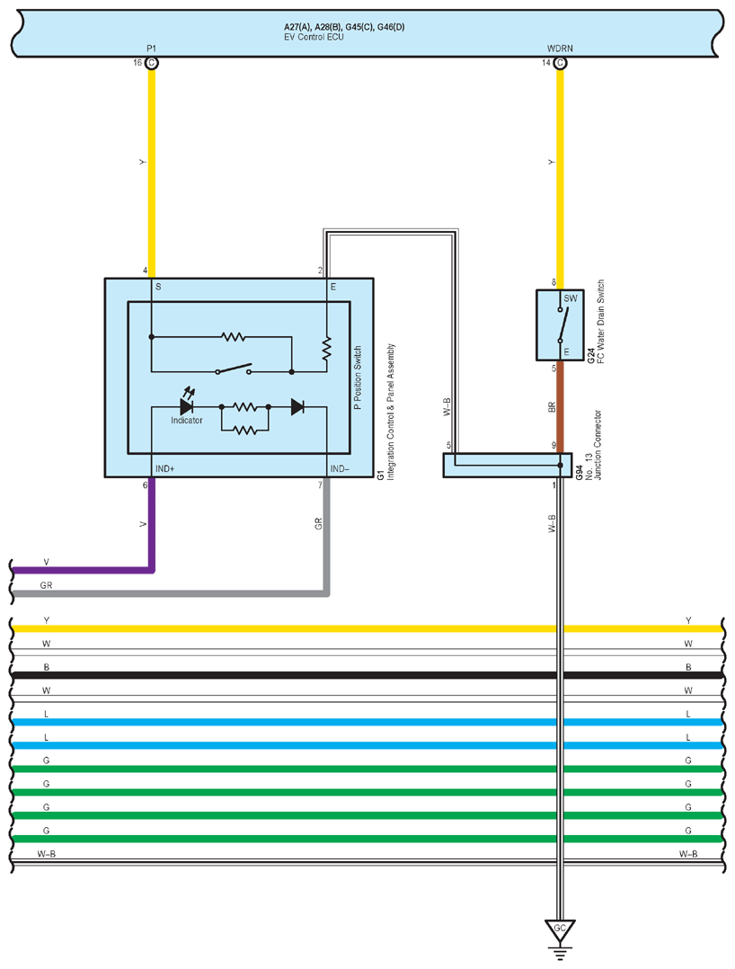
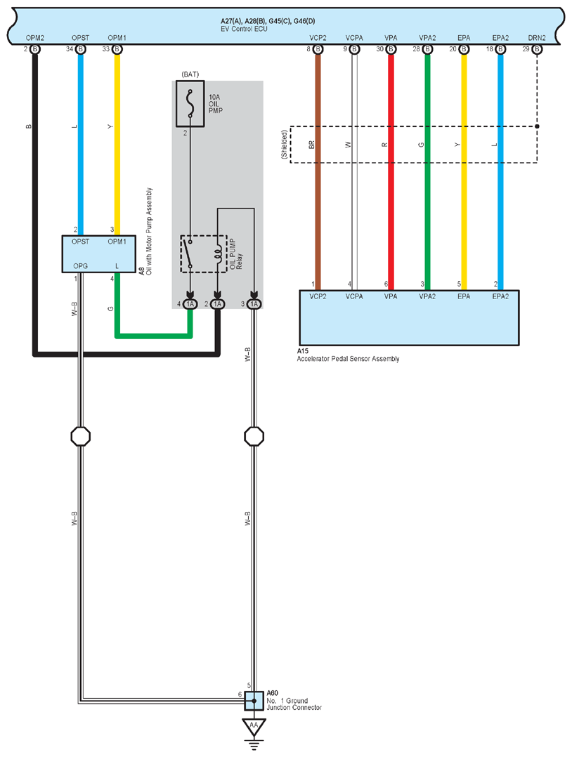
Fig 2: EV Control System, FC Control System, Fuel Lid Opener, Hydrogen Control System, Shift Control System (2 Of 65)
G12204162Courtesy of © TOYOTA, LICENSE AGREEMENT TMS1002
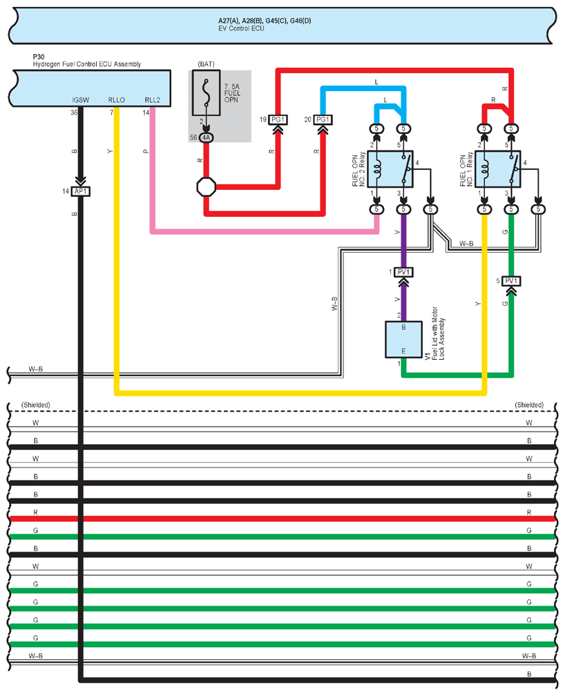
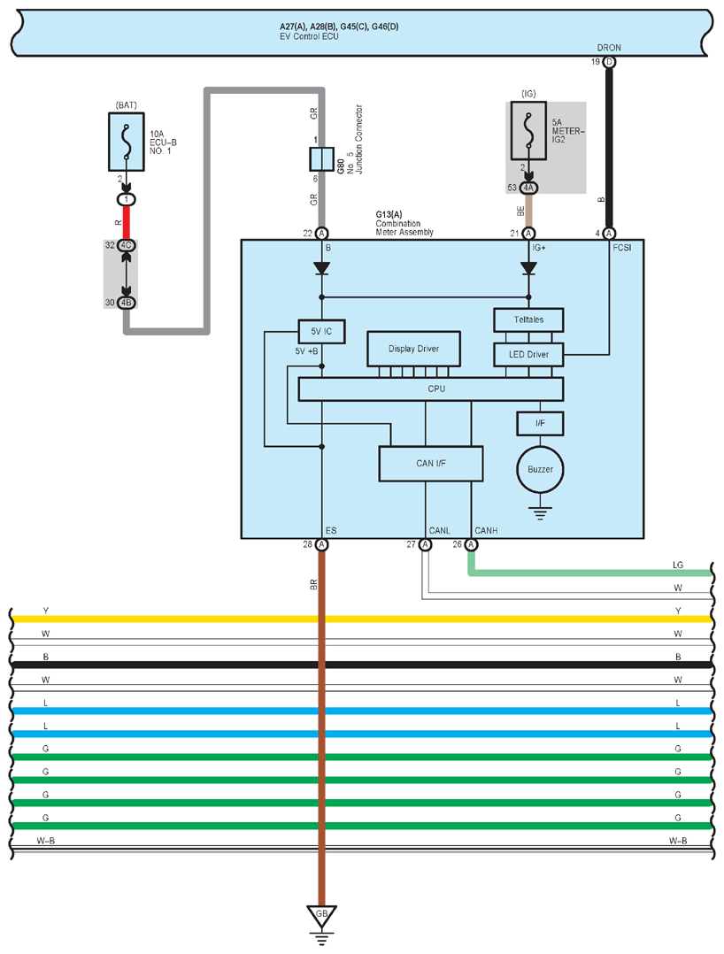
Fig 3: EV Control System, FC Control System, Fuel Lid Opener, Hydrogen Control System, Shift Control System (3 Of 65)
G12204163Courtesy of © TOYOTA, LICENSE AGREEMENT TMS1002
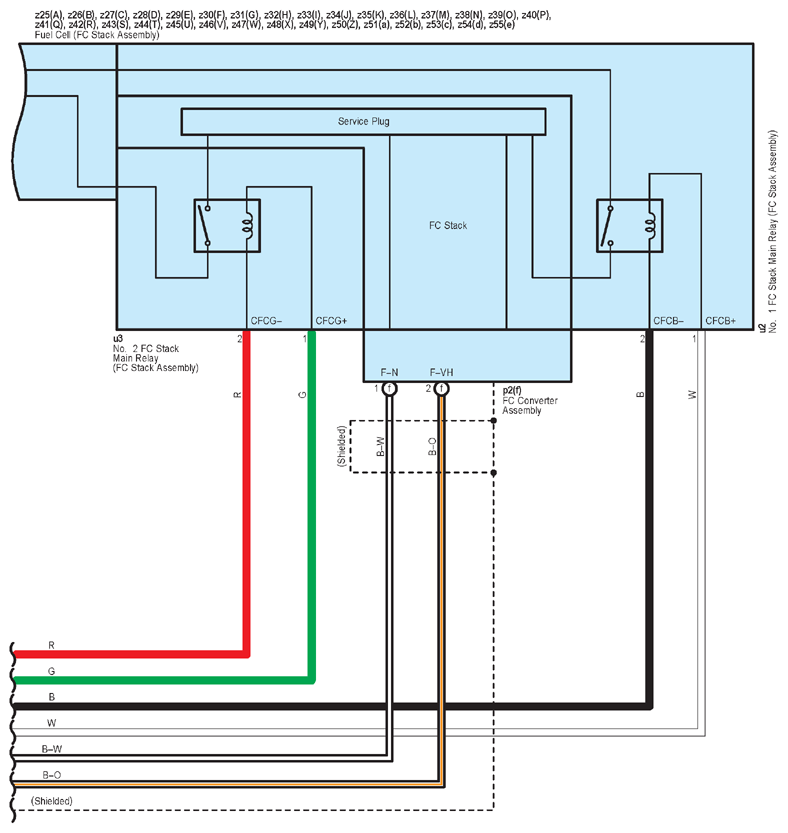
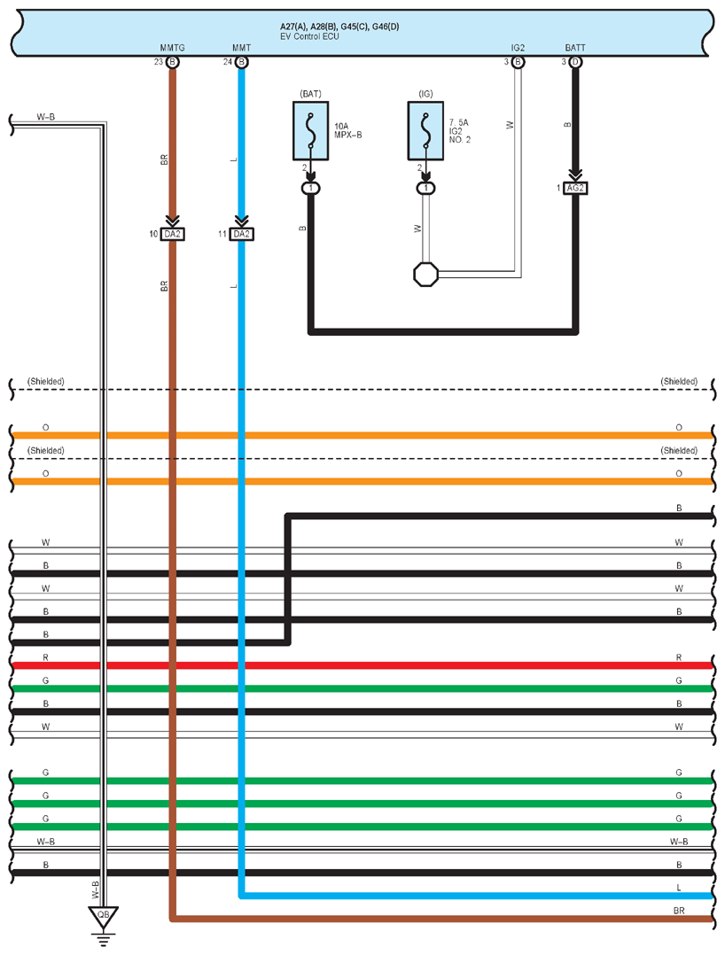
Fig 4: EV Control System, FC Control System, Fuel Lid Opener, Hydrogen Control System, Shift Control System (4 Of 65)
G12204164Courtesy of © TOYOTA, LICENSE AGREEMENT TMS1002
Fig 5: EV Control System, FC Control System, Fuel Lid Opener, Hydrogen Control System, Shift Control System (5 Of 65)
G12204165Courtesy of © TOYOTA, LICENSE AGREEMENT TMS1002
Fig 6: EV Control System, FC Control System, Fuel Lid Opener, Hydrogen Control System, Shift Control System (6 Of 65)
G12204166Courtesy of © TOYOTA, LICENSE AGREEMENT TMS1002
Fig 7: EV Control System, FC Control System, Fuel Lid Opener, Hydrogen Control System, Shift Control System (7 Of 65)
G12204167Courtesy of © TOYOTA, LICENSE AGREEMENT TMS1002
Fig 8: EV Control System, FC Control System, Fuel Lid Opener, Hydrogen Control System, Shift Control System (8 Of 65)
G12204168Courtesy of © TOYOTA, LICENSE AGREEMENT TMS1002
Fig 9: EV Control System, FC Control System, Fuel Lid Opener, Hydrogen Control System, Shift Control System (9 Of 65)
G12204169Courtesy of © TOYOTA, LICENSE AGREEMENT TMS1002
Fig 10: EV Control System, FC Control System, Fuel Lid Opener, Hydrogen Control System, Shift Control System (10 Of 65)
G12204170Courtesy of © TOYOTA, LICENSE AGREEMENT TMS1002
Fig 11: EV Control System, FC Control System, Fuel Lid Opener, Hydrogen Control System, Shift Control System (11 Of 65)
G12204171Courtesy of © TOYOTA, LICENSE AGREEMENT TMS1002
Fig 12: EV Control System, FC Control System, Fuel Lid Opener, Hydrogen Control System, Shift Control System (12 Of 65)
G12204172Courtesy of © TOYOTA, LICENSE AGREEMENT TMS1002
Fig 13: EV Control System, FC Control System, Fuel Lid Opener, Hydrogen Control System, Shift Control System (13 Of 65)
G12204173Courtesy of © TOYOTA, LICENSE AGREEMENT TMS1002
Fig 14: EV Control System, FC Control System, Fuel Lid Opener, Hydrogen Control System, Shift Control System (14 Of 65)
G12204174Courtesy of © TOYOTA, LICENSE AGREEMENT TMS1002
Fig 15: EV Control System, FC Control System, Fuel Lid Opener, Hydrogen Control System, Shift Control System (15 Of 65)
G12204175Courtesy of © TOYOTA, LICENSE AGREEMENT TMS1002
Fig 16: EV Control System, FC Control System, Fuel Lid Opener, Hydrogen Control System, Shift Control System (16 Of 65)
G12204176Courtesy of © TOYOTA, LICENSE AGREEMENT TMS1002
Fig 17: EV Control System, FC Control System, Fuel Lid Opener, Hydrogen Control System, Shift Control System (17 Of 65)
G12204177Courtesy of © TOYOTA, LICENSE AGREEMENT TMS1002
Fig 18: EV Control System, FC Control System, Fuel Lid Opener, Hydrogen Control System, Shift Control System (18 Of 65)
G12204178Courtesy of © TOYOTA, LICENSE AGREEMENT TMS1002
Fig 19: EV Control System, FC Control System, Fuel Lid Opener, Hydrogen Control System, Shift Control System (19 Of 65)
G12204179Courtesy of © TOYOTA, LICENSE AGREEMENT TMS1002
Fig 20: EV Control System, FC Control System, Fuel Lid Opener, Hydrogen Control System, Shift Control System (20 Of 65)
G12204180Courtesy of © TOYOTA, LICENSE AGREEMENT TMS1002
Fig 21: EV Control System, FC Control System, Fuel Lid Opener, Hydrogen Control System, Shift Control System (21 Of 65)
G12204181Courtesy of © TOYOTA, LICENSE AGREEMENT TMS1002
Fig 22: EV Control System, FC Control System, Fuel Lid Opener, Hydrogen Control System, Shift Control System (22 Of 65)
G12204182Courtesy of © TOYOTA, LICENSE AGREEMENT TMS1002
Fig 23: EV Control System, FC Control System, Fuel Lid Opener, Hydrogen Control System, Shift Control System (23 Of 65)
G12204183Courtesy of © TOYOTA, LICENSE AGREEMENT TMS1002
Fig 24: EV Control System, FC Control System, Fuel Lid Opener, Hydrogen Control System, Shift Control System (24 Of 65)
G12204184Courtesy of © TOYOTA, LICENSE AGREEMENT TMS1002
Fig 25: EV Control System, FC Control System, Fuel Lid Opener, Hydrogen Control System, Shift Control System (25 Of 65)
G12204185Courtesy of © TOYOTA, LICENSE AGREEMENT TMS1002
Fig 26: EV Control System, FC Control System, Fuel Lid Opener, Hydrogen Control System, Shift Control System (26 Of 65)
G12204186Courtesy of © TOYOTA, LICENSE AGREEMENT TMS1002
Fig 27: EV Control System, FC Control System, Fuel Lid Opener, Hydrogen Control System, Shift Control System (27 Of 65)
G12204187Courtesy of © TOYOTA, LICENSE AGREEMENT TMS1002
Fig 28: EV Control System, FC Control System, Fuel Lid Opener, Hydrogen Control System, Shift Control System (28 Of 65)
G12204188Courtesy of © TOYOTA, LICENSE AGREEMENT TMS1002
Fig 29: EV Control System, FC Control System, Fuel Lid Opener, Hydrogen Control System, Shift Control System (29 Of 65)
G12204189Courtesy of © TOYOTA, LICENSE AGREEMENT TMS1002
Fig 30: EV Control System, FC Control System, Fuel Lid Opener, Hydrogen Control System, Shift Control System (30 Of 65)
G12204190Courtesy of © TOYOTA, LICENSE AGREEMENT TMS1002
Fig 31: EV Control System, FC Control System, Fuel Lid Opener, Hydrogen Control System, Shift Control System (31 Of 65)
G12204191Courtesy of © TOYOTA, LICENSE AGREEMENT TMS1002
Fig 32: EV Control System, FC Control System, Fuel Lid Opener, Hydrogen Control System, Shift Control System (32 Of 65)
G12204192Courtesy of © TOYOTA, LICENSE AGREEMENT TMS1002
Fig 33: EV Control System, FC Control System, Fuel Lid Opener, Hydrogen Control System, Shift Control System (33 Of 65)
G12204193Courtesy of © TOYOTA, LICENSE AGREEMENT TMS1002
Fig 34: EV Control System, FC Control System, Fuel Lid Opener, Hydrogen Control System, Shift Control System (34 Of 65)
G12204194Courtesy of © TOYOTA, LICENSE AGREEMENT TMS1002
Fig 35: EV Control System, FC Control System, Fuel Lid Opener, Hydrogen Control System, Shift Control System (35 Of 65)
G12204195Courtesy of © TOYOTA, LICENSE AGREEMENT TMS1002
Fig 36: EV Control System, FC Control System, Fuel Lid Opener, Hydrogen Control System, Shift Control System (36 Of 65)
G12204196Courtesy of © TOYOTA, LICENSE AGREEMENT TMS1002
Fig 37: EV Control System, FC Control System, Fuel Lid Opener, Hydrogen Control System, Shift Control System (37 Of 65)
G12204197Courtesy of © TOYOTA, LICENSE AGREEMENT TMS1002
Fig 38: EV Control System, FC Control System, Fuel Lid Opener, Hydrogen Control System, Shift Control System (38 Of 65)
G12204198Courtesy of © TOYOTA, LICENSE AGREEMENT TMS1002
Fig 39: EV Control System, FC Control System, Fuel Lid Opener, Hydrogen Control System, Shift Control System (39 Of 65)
G12204199Courtesy of © TOYOTA, LICENSE AGREEMENT TMS1002
Fig 40: EV Control System, FC Control System, Fuel Lid Opener, Hydrogen Control System, Shift Control System (40 Of 65)
G12204200Courtesy of © TOYOTA, LICENSE AGREEMENT TMS1002
Fig 41: EV Control System, FC Control System, Fuel Lid Opener, Hydrogen Control System, Shift Control System (41 Of 65)
G12204201Courtesy of © TOYOTA, LICENSE AGREEMENT TMS1002
Fig 42: EV Control System, FC Control System, Fuel Lid Opener, Hydrogen Control System, Shift Control System (42 Of 65)
G12204202Courtesy of © TOYOTA, LICENSE AGREEMENT TMS1002
Fig 43: EV Control System, FC Control System, Fuel Lid Opener, Hydrogen Control System, Shift Control System (43 Of 65)
G12204203Courtesy of © TOYOTA, LICENSE AGREEMENT TMS1002
Fig 44: EV Control System, FC Control System, Fuel Lid Opener, Hydrogen Control System, Shift Control System (44 Of 65)
G12204204Courtesy of © TOYOTA, LICENSE AGREEMENT TMS1002
Fig 45: EV Control System, FC Control System, Fuel Lid Opener, Hydrogen Control System, Shift Control System (45 Of 65)
G12204205Courtesy of © TOYOTA, LICENSE AGREEMENT TMS1002
Fig 46: EV Control System, FC Control System, Fuel Lid Opener, Hydrogen Control System, Shift Control System (46 Of 65)
G12204206Courtesy of © TOYOTA, LICENSE AGREEMENT TMS1002
Fig 47: EV Control System, FC Control System, Fuel Lid Opener, Hydrogen Control System, Shift Control System (47 Of 65)
G12204207Courtesy of © TOYOTA, LICENSE AGREEMENT TMS1002
Fig 48: EV Control System, FC Control System, Fuel Lid Opener, Hydrogen Control System, Shift Control System (48 Of 65)
G12204208Courtesy of © TOYOTA, LICENSE AGREEMENT TMS1002
Fig 49: EV Control System, FC Control System, Fuel Lid Opener, Hydrogen Control System, Shift Control System (49 Of 65)
G12204209Courtesy of © TOYOTA, LICENSE AGREEMENT TMS1002
Fig 50: EV Control System, FC Control System, Fuel Lid Opener, Hydrogen Control System, Shift Control System (50 Of 65)
G12204210Courtesy of © TOYOTA, LICENSE AGREEMENT TMS1002
Fig 51: EV Control System, FC Control System, Fuel Lid Opener, Hydrogen Control System, Shift Control System (51 Of 65)
G12204211Courtesy of © TOYOTA, LICENSE AGREEMENT TMS1002
Fig 52: EV Control System, FC Control System, Fuel Lid Opener, Hydrogen Control System, Shift Control System (52 Of 65)
G12204212Courtesy of © TOYOTA, LICENSE AGREEMENT TMS1002
Fig 53: EV Control System, FC Control System, Fuel Lid Opener, Hydrogen Control System, Shift Control System (53 Of 65)
G12204213Courtesy of © TOYOTA, LICENSE AGREEMENT TMS1002
Fig 54: EV Control System, FC Control System, Fuel Lid Opener, Hydrogen Control System, Shift Control System (54 Of 65)
G12204214Courtesy of © TOYOTA, LICENSE AGREEMENT TMS1002
Fig 55: EV Control System, FC Control System, Fuel Lid Opener, Hydrogen Control System, Shift Control System (55 Of 65)
G12204215Courtesy of © TOYOTA, LICENSE AGREEMENT TMS1002
Fig 56: EV Control System, FC Control System, Fuel Lid Opener, Hydrogen Control System, Shift Control System (56 Of 65)
G12204216Courtesy of © TOYOTA, LICENSE AGREEMENT TMS1002
Fig 57: EV Control System, FC Control System, Fuel Lid Opener, Hydrogen Control System, Shift Control System (57 Of 65)
G12204217Courtesy of © TOYOTA, LICENSE AGREEMENT TMS1002
Fig 58: EV Control System, FC Control System, Fuel Lid Opener, Hydrogen Control System, Shift Control System (58 Of 65)
G12204218Courtesy of © TOYOTA, LICENSE AGREEMENT TMS1002
Fig 59: EV Control System, FC Control System, Fuel Lid Opener, Hydrogen Control System, Shift Control System (59 Of 65)
G12204219Courtesy of © TOYOTA, LICENSE AGREEMENT TMS1002
Fig 60: EV Control System, FC Control System, Fuel Lid Opener, Hydrogen Control System, Shift Control System (60 Of 65)
G12204220Courtesy of © TOYOTA, LICENSE AGREEMENT TMS1002
Fig 61: EV Control System, FC Control System, Fuel Lid Opener, Hydrogen Control System, Shift Control System (61 Of 65)
G12204221Courtesy of © TOYOTA, LICENSE AGREEMENT TMS1002
Fig 62: EV Control System, FC Control System, Fuel Lid Opener, Hydrogen Control System, Shift Control System (62 Of 65)
G12204222Courtesy of © TOYOTA, LICENSE AGREEMENT TMS1002
Fig 63: EV Control System, FC Control System, Fuel Lid Opener, Hydrogen Control System, Shift Control System (63 Of 65)
G12204223Courtesy of © TOYOTA, LICENSE AGREEMENT TMS1002
Fig 64: EV Control System, FC Control System, Fuel Lid Opener, Hydrogen Control System, Shift Control System (64 Of 65)
G12204224Courtesy of © TOYOTA, LICENSE AGREEMENT TMS1002
Fig 65: EV Control System, FC Control System, Fuel Lid Opener, Hydrogen Control System, Shift Control System (65 Of 65)
G12204225Courtesy of © TOYOTA, LICENSE AGREEMENT TMS1002