LEMON Manuals: Even more car manuals for everyone: 1960-2025
Home >> Toyota >> 2017 >> Prius C Two >> Repair and Diagnosis >> Electrical >> Body Electrical >> OEM System Circuits >> Power Window >> System Diagrams
April 5, 2026: LEMON Manuals is launched! Read the announcement.

System Diagrams

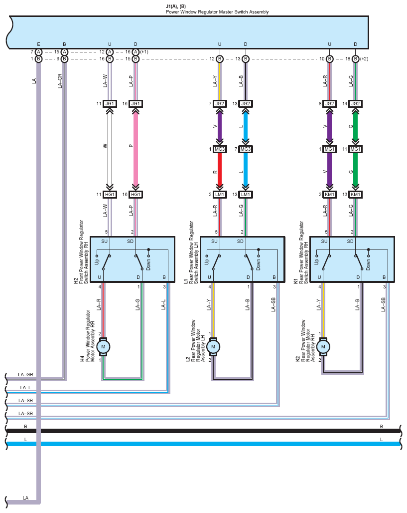
Fig 1: Power Window (1 Of 3)
G12211370Courtesy of © TOYOTA, LICENSE AGREEMENT TMS1002
Fig 2: Power Window (2 Of 3)
G12211371Courtesy of © TOYOTA, LICENSE AGREEMENT TMS1002
Fig 3: Power Window (3 Of 3)
G12211372Courtesy of © TOYOTA, LICENSE AGREEMENT TMS1002