LEMON Manuals: Even more car manuals for everyone: 1960-2025
Home >> Toyota >> 2017 >> Sienna SE >> Repair and Diagnosis >> Electrical >> Body Electrical >> OEM System Circuits >> Audio System (W/Navigation System), Navigation System, Parking Assist (Rear View Monitor W/Navigation System) >> System Diagrams
April 5, 2026: LEMON Manuals is launched! Read the announcement.

System Diagrams

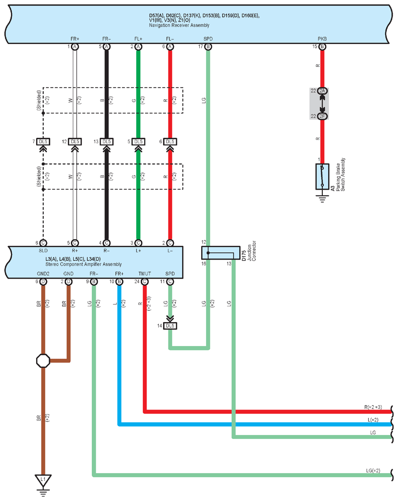
Fig 1: Audio System (W/Navigation System), Navigation System, Parking Assist (Rear View Monitor W/Navigation System) (1 Of 23)
G12221283Courtesy of © TOYOTA, LICENSE AGREEMENT TMS1002
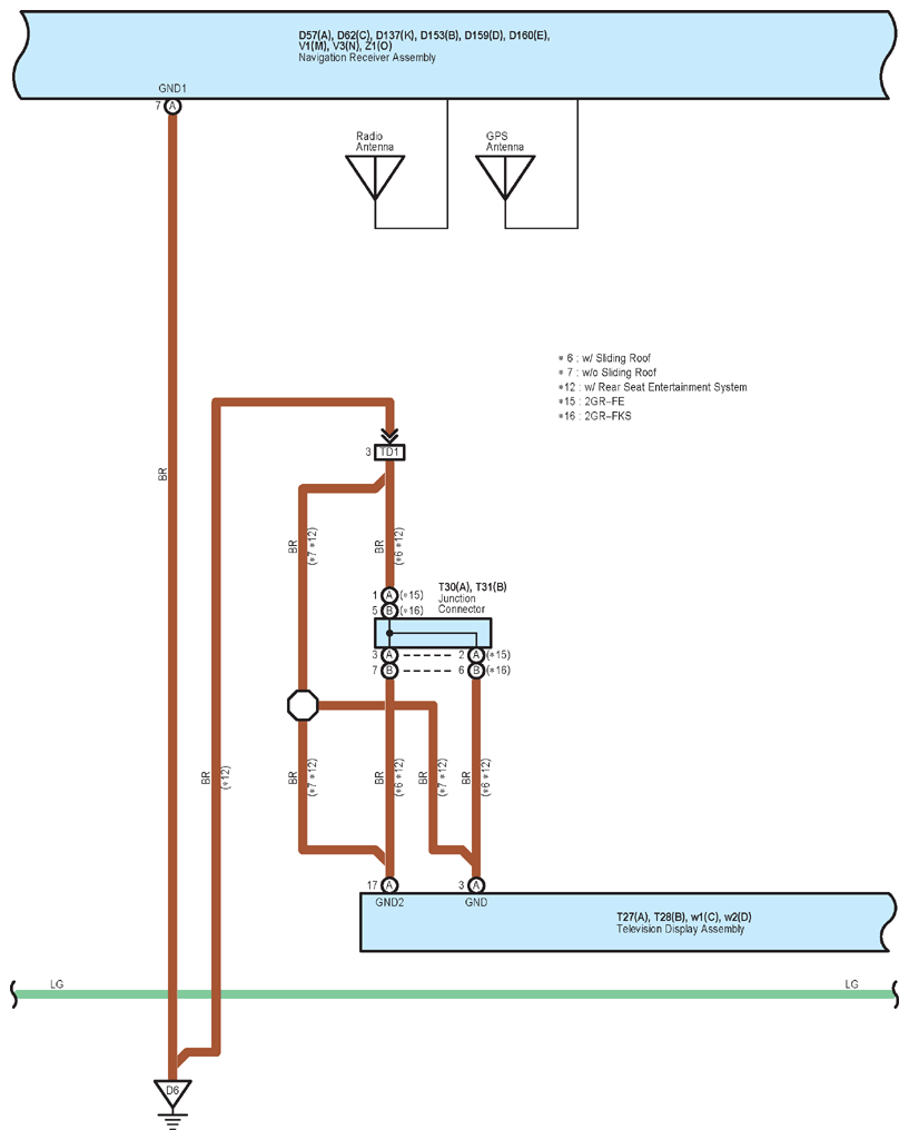
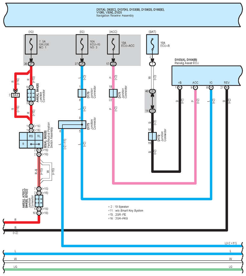
Fig 2: Audio System (W/Navigation System), Navigation System, Parking Assist (Rear View Monitor W/Navigation System) (2 Of 23)
G12221284Courtesy of © TOYOTA, LICENSE AGREEMENT TMS1002
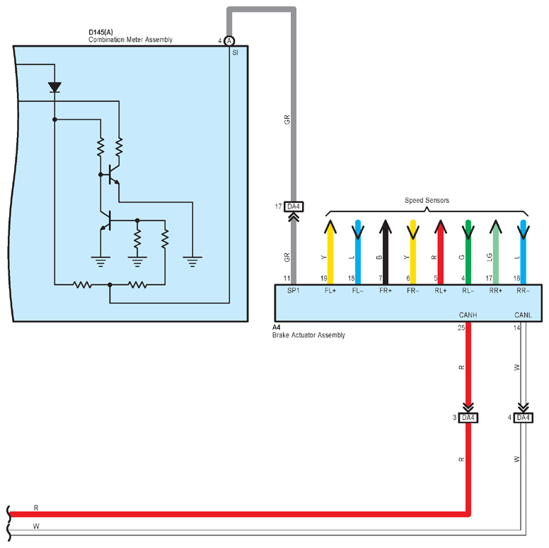
Fig 3: Audio System (W/Navigation System), Navigation System, Parking Assist (Rear View Monitor W/Navigation System) (3 Of 23)
G12221285Courtesy of © TOYOTA, LICENSE AGREEMENT TMS1002
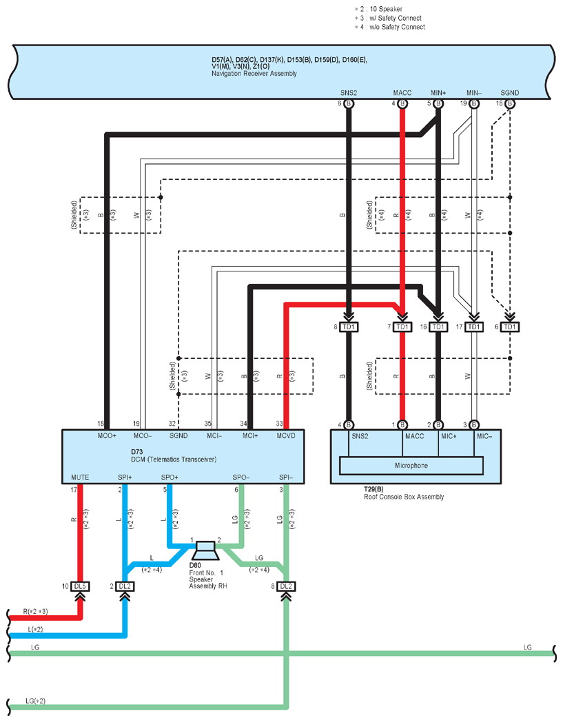
Fig 4: Audio System (W/Navigation System), Navigation System, Parking Assist (Rear View Monitor W/Navigation System) (4 Of 23)
G12221286Courtesy of © TOYOTA, LICENSE AGREEMENT TMS1002
Fig 5: Audio System (W/Navigation System), Navigation System, Parking Assist (Rear View Monitor W/Navigation System) (5 Of 23)
G12221287Courtesy of © TOYOTA, LICENSE AGREEMENT TMS1002
Fig 6: Audio System (W/Navigation System), Navigation System, Parking Assist (Rear View Monitor W/Navigation System) (6 Of 23)
G12221288Courtesy of © TOYOTA, LICENSE AGREEMENT TMS1002
Fig 7: Audio System (W/Navigation System), Navigation System, Parking Assist (Rear View Monitor W/Navigation System) (7 Of 23)
G12221289Courtesy of © TOYOTA, LICENSE AGREEMENT TMS1002
Fig 8: Audio System (W/Navigation System), Navigation System, Parking Assist (Rear View Monitor W/Navigation System) (8 Of 23)
G12221290Courtesy of © TOYOTA, LICENSE AGREEMENT TMS1002
Fig 9: Audio System (W/Navigation System), Navigation System, Parking Assist (Rear View Monitor W/Navigation System) (9 Of 23)
G12221291Courtesy of © TOYOTA, LICENSE AGREEMENT TMS1002
Fig 10: Audio System (W/Navigation System), Navigation System, Parking Assist (Rear View Monitor W/Navigation System) (10 Of 23)
G12221292Courtesy of © TOYOTA, LICENSE AGREEMENT TMS1002
Fig 11: Audio System (W/Navigation System), Navigation System, Parking Assist (Rear View Monitor W/Navigation System) (11 Of 23)
G12221293Courtesy of © TOYOTA, LICENSE AGREEMENT TMS1002
Fig 12: Audio System (W/Navigation System), Navigation System, Parking Assist (Rear View Monitor W/Navigation System) (12 Of 23)
G12221294Courtesy of © TOYOTA, LICENSE AGREEMENT TMS1002
Fig 13: Audio System (W/Navigation System), Navigation System, Parking Assist (Rear View Monitor W/Navigation System) (13 Of 23)
G12221295Courtesy of © TOYOTA, LICENSE AGREEMENT TMS1002
Fig 14: Audio System (W/Navigation System), Navigation System, Parking Assist (Rear View Monitor W/Navigation System) (14 Of 23)
G12221296Courtesy of © TOYOTA, LICENSE AGREEMENT TMS1002
Fig 15: Audio System (W/Navigation System), Navigation System, Parking Assist (Rear View Monitor W/Navigation System) (15 Of 23)
G12221297Courtesy of © TOYOTA, LICENSE AGREEMENT TMS1002
Fig 16: Audio System (W/Navigation System), Navigation System, Parking Assist (Rear View Monitor W/Navigation System) (16 Of 23)
G12221298Courtesy of © TOYOTA, LICENSE AGREEMENT TMS1002
Fig 17: Audio System (W/Navigation System), Navigation System, Parking Assist (Rear View Monitor W/Navigation System) (17 Of 23)
G12221299Courtesy of © TOYOTA, LICENSE AGREEMENT TMS1002
Fig 18: Audio System (W/Navigation System), Navigation System, Parking Assist (Rear View Monitor W/Navigation System) (18 Of 23)
G12221300Courtesy of © TOYOTA, LICENSE AGREEMENT TMS1002
Fig 19: Audio System (W/Navigation System), Navigation System, Parking Assist (Rear View Monitor W/Navigation System) (19 Of 23)
G12221301Courtesy of © TOYOTA, LICENSE AGREEMENT TMS1002
Fig 20: Audio System (W/Navigation System), Navigation System, Parking Assist (Rear View Monitor W/Navigation System) (20 Of 23)
G12221302Courtesy of © TOYOTA, LICENSE AGREEMENT TMS1002
Fig 21: Audio System (W/Navigation System), Navigation System, Parking Assist (Rear View Monitor W/Navigation System) (21 Of 23)
G12221303Courtesy of © TOYOTA, LICENSE AGREEMENT TMS1002
Fig 22: Audio System (W/Navigation System), Navigation System, Parking Assist (Rear View Monitor W/Navigation System) (22 Of 23)
G12221304Courtesy of © TOYOTA, LICENSE AGREEMENT TMS1002
Fig 23: Audio System (W/Navigation System), Navigation System, Parking Assist (Rear View Monitor W/Navigation System) (23 Of 23)
G12221305Courtesy of © TOYOTA, LICENSE AGREEMENT TMS1002