LEMON Manuals: Even more car manuals for everyone: 1960-2025
Home >> UD >> 2007 >> 1300 L4-4.7L DSL Turbo >> Repair and Diagnosis >> Diagrams >> Connector Views >> Engine Control Module
April 5, 2026: LEMON Manuals is launched! Read the announcement.

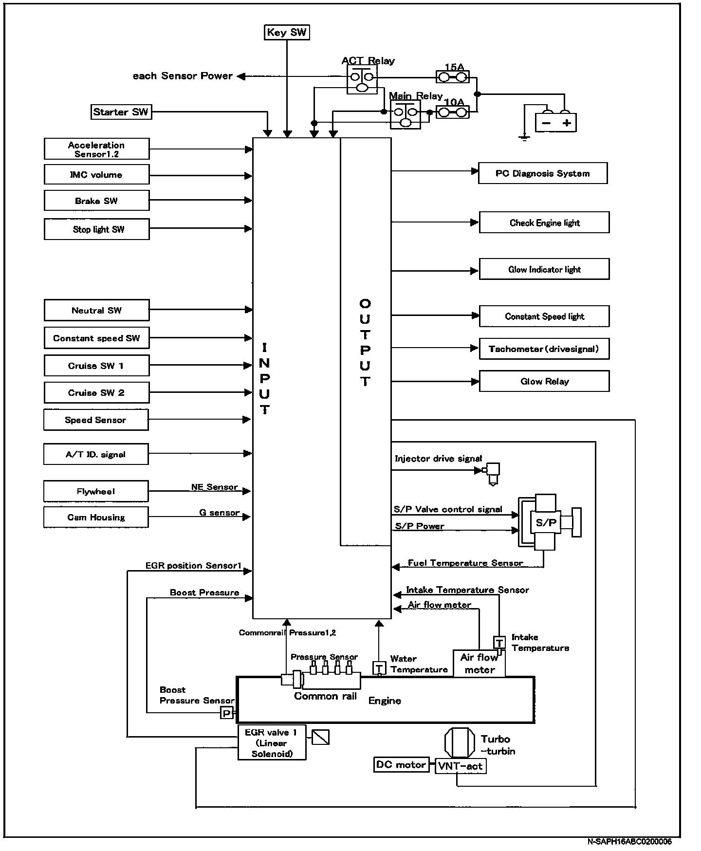
Engine Control Module