Function Overview
Body control module - the BCM is the main control unit for body electrical functions:
- Lighting
- Wiper/washer
- Mirrors
- Power distribution
The integrated security module covers:
- Vehicle access (locking/unlocking)
- Secure alarm
- Immobilization
- Electrical states
The BCM is the core control module in the vehicle, it mainly controls the following sub functional systems:
| Functions | ECO | PLUS |
|---|---|---|
| Exterior lighting | X | X |
| Interior light | X | X |
| Ambient light | X | X |
| Front wiper | X | X |
| Rear wiper | X | X |
| Washer | X | X |
| Outside mirror function | X | X |
| TPMS (tire pressure monitoring system) | X | X |
| Wireless charger | O | X |
| Foot kick sensor | O | X |
| Door lock control | X | X |
| Antitheft system | X | X |
| PEPS (passive entry passive start) | X | X |
| Immobilizer | X | X |
| Fail safe and limp home mode | X | X |
| Voltage mode management | X | X |
| Power mode management | X | X |
| Energy management | X | X |
| Controlled clamp | X | X |
| Horn | X | X |
| Rear defroster/mirror heating | X | X |
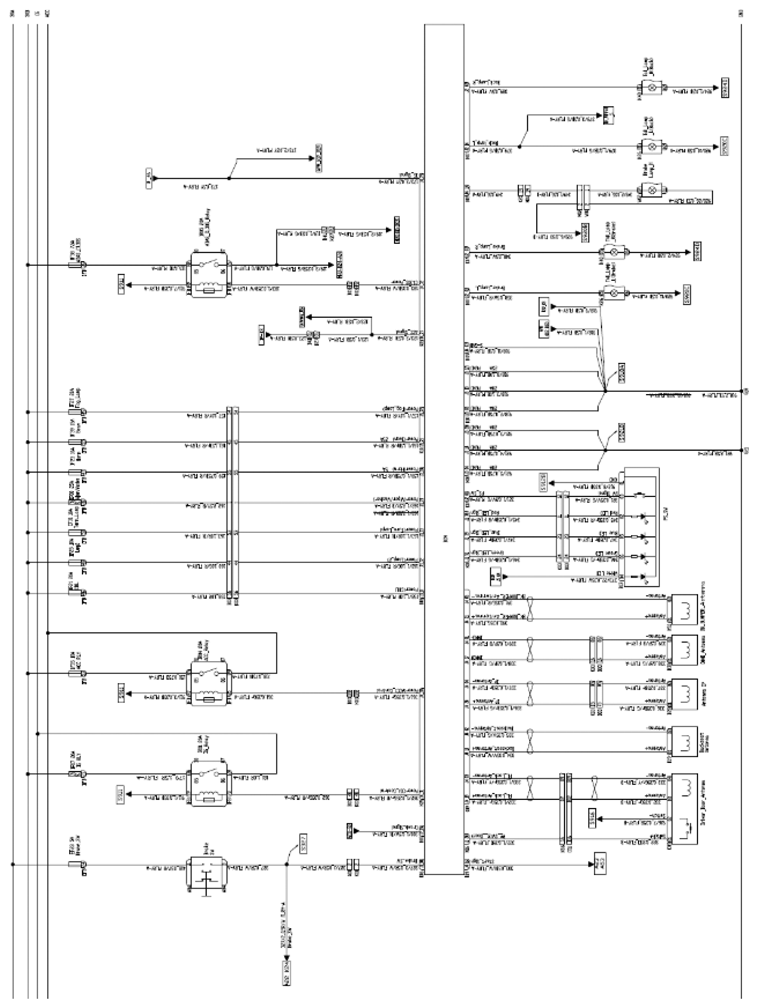
Example of Circuit Diagram (current status will be submitted later for VFe36)
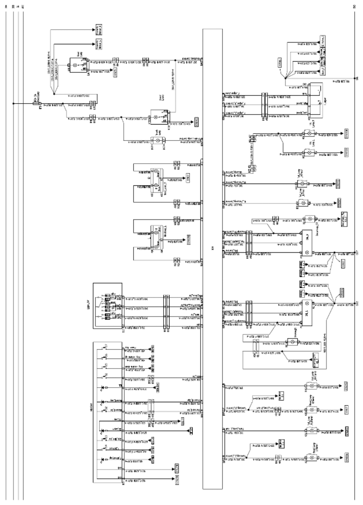
Example of Circuit Diagram (current status will be submitted later for VFe36)
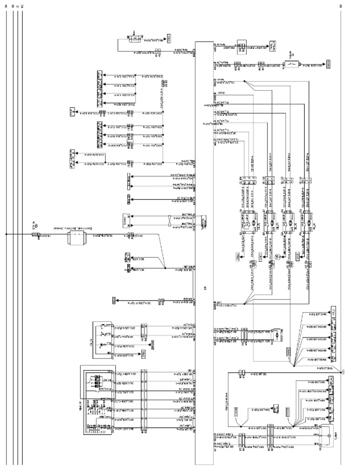
Example of Circuit Diagram (current status will be submitted later for VFe36)
Overview/Network Position - CAN
Serial data communication networks provide a reliable, cost effective way for various components of the vehicle to "talk" to one another and share information.
The vehicle uses a number of different communication buses to insure the timely and efficient exchange of information between devices.
- Body control module - BCM is part of the body CAN and contains a CAN terminal resistor
- It receives input via CAN bus, hardwired signals and integrated antennas
- Output signals are sent to the subordinated components via CAN bus, LIN buses and hardwired cable connections
Local Interconnect Network LIN
Body control module - the BCM also uses local interconnect network - LIN - to control subsidiary modules.
5 separate LIN busses are controlled
- BCM-LIN1
- BCM-LIN2
- BCM-LIN3
- BCM-LIN4
- BCM-LIN5
| Abbr | Module | LIN |
|---|---|---|
| BCM | Body control module | LIN-MASTER |
| BAS | Battery sensor (12V) | BCM-LIN1 |
| SCM | Steering column module | BCM-LIN1 |
| RLS | Rain light sensor | BCM-LIN1 |
| WLC | Wireless charge port | BCM-LIN2 |
| WLC2 | Wireless charge port 2 | BCM-LIN2 |
| FKS | Foot kick sensor | BCM-LIN2 |
| ALM3 | Ambient light module 3 | BCM-LIN3 |
| ALM4 | Ambient light module 4 | BCM-LIN3 |
| ALM5 | Ambient light module 5 | BCM-LIN3 |
| ALM6 | Ambient light module 6 | BCM-LIN3 |
| RLBL | Rear light body left | BCM-LIN4 |
| RLBR | Rear light body right | BCM-LIN4 |
| RLT | Rear light body | BCM-LIN4 |
| ALM1 | Ambient light module 1 | BCM-LIN5 |
| ALM2 | Ambient light module 2 | BCM-LIN5 |
| ALM7 | Ambient light module 7 | BCM-LIN5 |
| ALM8 | Ambient light module 8 | BCM-LIN5 |
| ALM9 | Ambient light module 9 | BCM-LIN5 |
| ALM 10 | Ambient light module 10 | BCM-LIN5 |