LEMON Manuals: Even more car manuals for everyone: 1960-2025
Home >> Volkswagen >> 2012 >> CC Executive >> Repair and Diagnosis >> Brakes >> Traction Control >> Anti-Lock Brake System >> 45 Antilock Brake System >> Description And Operation >> Abs Control Module And Brake Booster Overview
April 5, 2026: LEMON Manuals is launched! Read the announcement.

Abs Control Module And Brake Booster Overview

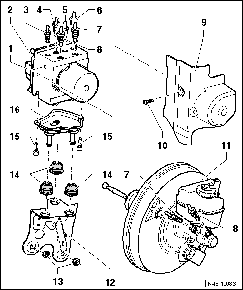
Fig 1: Hydraulic Unit, Assembly Overview -- ABS TRW (ABS/EDS/ASR/ESP)
GWWN45-10083Courtesy of VOLKSWAGEN GROUP OF AMERICA, INC.
  1. ABS Control Module -J104- 

    It is not possible to separate the control module and hydraulic unit.

  2. ABS Hydraulic Unit -N55- 

    It is not possible to separate the control module and hydraulic unit.

  3. Brake Line 
    • To the right front brake caliper
    • Identification: 5.25 mm diameter and tube fitting with M10 x 1 thread
    • Marked on hydraulic unit with "VR"
  4. Brake Line 
    • To left rear brake caliper
    • Identification: 5.25 mm diameter and tube fitting with shorter thread M12 x 1
    • Marked on hydraulic unit with "HL"
  5. Brake Line 
    • To the right rear brake caliper
    • Identification: 5.25 mm diameter and tube fitting with M10 x 1 thread
    • Marked on hydraulic unit with "HR"
  6. Brake Line 
    • To left front brake caliper
    • Identification: 5.25 mm diameter and tube fitting with shorter thread M12 x 1
    • Marked on hydraulic unit with "VL"
  7. Brake Line 
    • Master brake cylinder/primary piston circuit to hydraulic control unit
    • Identification: 8.5 mm or 6 mm and tube fitting with longer thread M12 x 1
    • Marked on hydraulic unit with "HZ1"
  8. Brake Line 
    • Master brake cylinder/secondary piston circuit to hydraulic unit
    • Identification: 8.5 mm or 6 mm and tube fitting with longer thread M12 x 1
    • Marked on hydraulic unit with "HZ2"
  9. Heat Shield 
  10. Inner TORX® Bolt 
    • 12 Nm
  11. Brake Booster 
  12. Bracket 
  13. Nut 
    • 20 Nm
  14. Rubber Insulation 
  15. Inner TORX® Bolt 
    • 10 Nm
  16. Bracket