LEMON Manuals: Even more car manuals for everyone: 1960-2025
Home >> Volkswagen >> 2021 >> Jetta R-Line, Automatic Trans >> Repair and Diagnosis (Single Page) >> Electrical >> Wiring Diagrams >> OEM Wiring Diagrams >> Wiring Diagrams >> Network CAN Bus >> Heater and A/C Controls, Data Bus on Board Diagnostic Interface, Electronic Steering Column Lock Control Module, Control Module for Emergency Call Module and Communication Unit, Access/Start System Interface
April 5, 2026: LEMON Manuals is launched! Read the announcement.

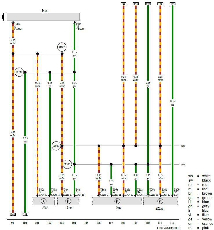
Heater and A/C Controls, Data Bus on Board Diagnostic Interface, Electronic Steering Column Lock Control Module, Control Module for Emergency Call Module and Communication Unit, Access/Start System Interface

G00609486Courtesy of VOLKSWAGEN GROUP OF AMERICA, INC.

EX21 -  Heater and A/C Controls

J533 -  Data Bus on Board Diagnostic Interface

J764 -  Electronic Steering Column Lock Control Module

J949 -  Control Module for Emergency Call Module and Communication Unit

J965 -  Access/Start System Interface

T4p -  4-Pin Connector

T20a -  20-Pin Connector

T20b -  20-Pin Connector

T26a -  26-Pin Connector, Black

T36a -  36-Pin Connector

T40a -  40-Pin Connector

B398 -  Comfort System CAN Bus High Connection 2 (in Main Wiring Harness)

B407 -  Comfort System CAN Bus Low Connection 2 (in Main Wiring Harness)

B506 -  Comfort CAN Bus High Connection (in Interior Wiring Harness)

B507 -  Comfort CAN Bus Low Connection (in Interior Wiring Harness)