LEMON Manuals: Even more car manuals for everyone: 1960-2025
Home >> Honda >> 2016 >> CR-V SE, AWD >> Repair and Diagnosis >> Engine Performance >> Engine Control Systems >> Engine Control System & Engine Mechanical - Testing & Troubleshooting >> Description >> PGM-FI System Description - Components
April 5, 2026: LEMON Manuals is launched! Read the announcement.

PGM-FI System Description - Components

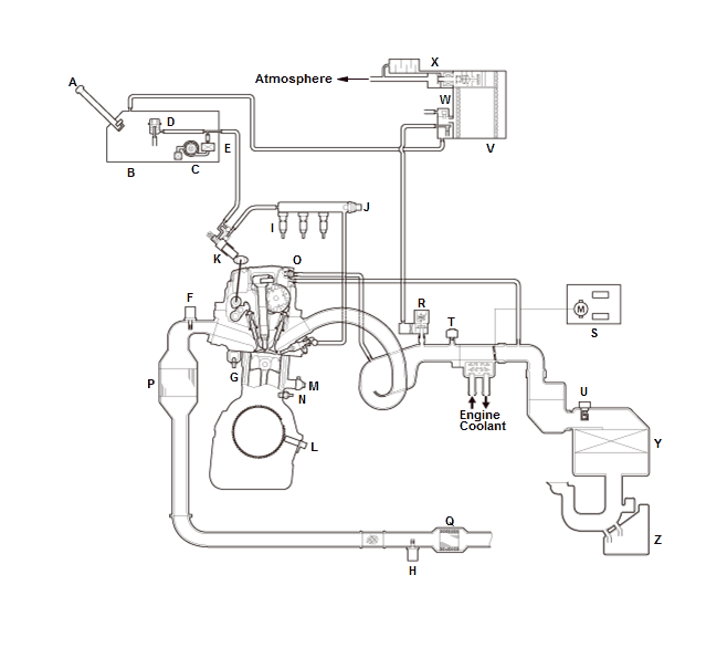
USA and Canada models 

GHH49137Courtesy of HONDA, U.S.A., INC.
  A FUEL FILL CAP   O PCV VALVE
  B FUEL TANK   P WU-TWC
  C FUEL PUMP   Q UNDER-FLOOR TWC
  D FUEL PRESSURE REGULATOR   R EVAP CANISTER PURGE VALVE
  E FUEL FILTER   S THROTTLE BODY
  F A/F SENSOR (SENSOR 1)   T MAP SENSOR
  G ECT SENSOR 1   U MAF SENSOR/IAT SENSOR
  H SECONDARY HO2S (SENSOR 2)   V EVAP CANISTER
  I INJECTOR   W FTP SENSOR
  J FUEL RAIL PRESSURE SENSOR   X EVAP CANISTER VENT SHUT VALVE
  K HIGH PRESSURE FUEL PUMP   Y AIR CLEANER
  L CKP SENSOR   Z INTAKE AIR RESONATOR
  M KNOCK SENSOR      
  N OIL PRESSURE SWITCH      

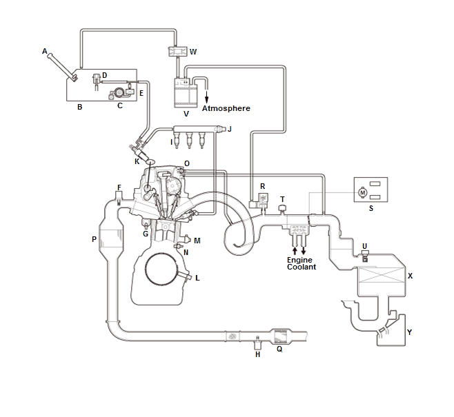
Mexico models 

GHH49138Courtesy of HONDA, U.S.A., INC.
  A FUEL FILL CAP   O PCV VALVE
  B FUEL TANK   P WU-TWC
  C FUEL PUMP   Q UNDER-FLOOR TWC
  D FUEL PRESSURE REGULATOR   R EVAP CANISTER PURGE VALVE
  E FUEL FILTER   S THROTTLE BODY
  F A/F SENSOR (SENSOR 1)   T MAP SENSOR
  G ECT SENSOR 1   U MAF SENSOR/IAT SENSOR
  H SECONDARY HO2S (SENSOR 2)   V EVAP CANISTER
  I INJECTOR   W EVAP TWO WAY VALVE
  J FUEL RAIL PRESSURE SENSOR   X AIR CLEANER
  K HIGH PRESSURE FUEL PUMP   Y INTAKE AIR RESONATOR
  L CKP SENSOR      
  M KNOCK SENSOR      
  N OIL PRESSURE SWITCH