PGM-FI System Description
For locations of each component on the vehicle, refer to the Component Location Index .
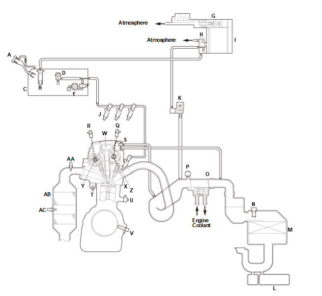
Components
USA/Canada models
| A | MIS-FUEL INHIBIT DEVICE | P | MAP SENSOR |
| B | FUEL TANK VAPOR CONTROL VALVE | Q | CMP SENSOR A |
| C | FUEL TANK | R | CMP SENSOR B |
| D | FUEL PRESSURE REGULATOR | S | PCV VALVE |
| E | FUEL PUMP | T | ECT SENSOR 1 |
| F | FUEL FILTER | U | KNOCK SENSOR |
| G | EVAP CANISTER VENT SHUT VALVE | V | CKP SENSOR |
| H | FTP SENSOR | W | IGNITION COIL |
| I | EVAP CANISTER | X | VTC OIL CONTROL SOLENOID VALVE A |
| J | FUEL INJECTOR | Y | VTC OIL CONTROL SOLENOID VALVE B |
| K | EVAP CANISTER PURGE VALVE | Z | ROCKER ARM OIL CONTROL VALVE |
| L | INTAKE AIR RESONATOR | AA | A/F SENSOR (SENSOR 1) |
| M | AIR CLEANER | AB | TWC |
| N | MAF SENSOR/IAT SENSOR | AC | SECONDARY HO2S (SENSOR 2) |
| O | THROTTLE BODY |
Mexico models
| A | FUEL FILL CAP | O | MAP SENSOR |
| B | FUEL TANK VAPOR CONTROL VALVE | P | CMP SENSOR A |
| C | FUEL TANK | Q | CMP SENSOR B |
| D | FUEL PRESSURE REGULATOR | R | PCV VALVE |
| E | FUEL PUMP | S | ECT SENSOR 1 |
| F | FUEL FILTER | T | KNOCK SENSOR |
| G | EVAP TWO WAY VALVE | U | CKP SENSOR |
| H | EVAP CANISTER | V | IGNITION COIL |
| I | FUEL INJECTOR | W | VTC OIL CONTROL SOLENOID VALVE A |
| J | EVAP CANISTER PURGE VALVE | X | VTC OIL CONTROL SOLENOID VALVE B |
| K | INTAKE AIR RESONATOR | Y | ROCKER ARM OIL CONTROL VALVE |
| L | AIR CLEANER | Z | A/F SENSOR (SENSOR 1) |
| M | MAF SENSOR/IAT SENSOR | AA | TWC |
| N | THROTTLE BODY | AB | SECONDARY HO2S (SENSOR 2) |
Electronic Control
The powertrain control module (PCM) consists of a CPU memory (storage unit) and inputs/outputs that control the fuel injection, injection timing, and electronic throttle control system (ETCS).
Fail-Safe Function
When a malfunction occurs in the signal from a sensor or from another control unit, the PCM ignores that signal and substitutes a pre-programmed value that allows the engine to continue running. This causes a Confirmed DTC to be stored and the MIL to come on.
Updated Function
The PCM has a rewriteable ROM (Read Only Memory) and can be updated with the latest software version if it is available.
MIL Indicator Check
When the vehicle is turned to the ON mode, the PCM turns on the MIL via the F-CAN circuit for about 15 to 20 seconds to check the indicator condition.
Self Shut Down (SSD) Mode
After the vehicle is turned to the OFF (LOCK) mode, the PCM stays on for up to an hour. If a PCM connector is disconnected during this time, the PCM may be damaged. To cancel the SSD, jump the SCS line with the HDS after the vehicle is turned to the OFF (LOCK) mode.
Two Drive Cycle Detection Method
The DTCs are detected with the one or two-drive cycle method in the PCM. Specific DTCs which are considered as not intermittent failures, apply the two-drive cycle method. When a malfunction occurs in the signal from a sensor or from another control unit in the first drive cycle, the PCM stores a pending DTC. The MIL does not come on at this time. If the failure continues in the second drive cycle, the PCM stores a confirmed DTC and turns on the MIL.
Injection Control
Fuel injection controls include fuel injection amount control, fuel cut control, and fuel pump control. Adaptive PGM-FI (programmed-fuel injection) technology enables accurate fuel controls, which contributes to increasing engine power and decreasing fuel consumption.
Fuel Injection
The fuel injection is determined by adding correction values to a basic injection control. The PCM controls the amount of fuel injection by controlling the length of time the injector is energized.
Fuel Injection Timing
The fuel injection timing is determined by the PCM, which calculates the injection time for each cylinder based on the signals from the crankshaft position (CKP) sensor and camshaft position (CMP) sensor A. The PCM then controls the time to energize the injector. Therefore, the fuel injection control will vary depending on the state of the vehicle.
A/F Sensor/HO2S Feedback Air/Fuel Ratio Control
Air fuel ratio control is a part of the fuel injection control and comprises the steps of:
- Calculating basic injection amount from the intake air flow amount and engine speed
- Calculating air fuel ratio correction value from the oxygen density in the exhaust gas and reflecting the calculated values to the injection amount
Air fuel ratio control stops feedback under the following conditions in order to maintain operational performance and catalyst protection.
- When starting the engine or during fuel increase after the engine is started
- While the engine coolant is cold
- During fuel increase under high load
- During fuel increase at high engine speed
- During fuel cut-off at deceleration
Ignition Timing Control
The powertrain control module (PCM) contains the memory for basic ignition timing at various engine speeds and manifold absolute pressures. It also adjusts the timing according to engine coolant temperature and intake air temperature.
Altitude vs Barometric Pressure Sensor Relation
Fuel Cut-off Control
Recovery engine speed from fuel cut-off during deceleration
After warming up, and during deceleration with the throttle valve slightly opened from the fully closed position, the PCM stops the fuel injection when the engine speed is over the specified value to improve fuel efficiency.
Fuel cut-off at high engine speed
To protect the engine from damage, the PCM stops the fuel injection when the engine speed is in the limited area (red zone) while the vehicle is driven and while at a stop.
| When the vehicle is being driven | When the vehicle is stopped | |
|---|---|---|
| Fuel cut-off at high engine speed* | 6,800 rpm | 6,800 rpm |
*: The fuel cut engine speed may change according to other system requirements.
Fuel cut-off at high speed driving
The PCM stops fuel injection when the vehicle speed is at or over than what is listed in the following chart.
| High speed driving | |
|---|---|
| Fuel cut-off at high speed driving | 118 mph (190 km/h) and over |