LEMON Manuals: Even more car manuals for everyone: 1960-2025
Home >> Land Rover >> 1990 >> Range Rover Base >> Repair and Diagnosis >> Steering >> Power Steering >> Power Recirculating Ball >> Description >> Power Steering Box
April 5, 2026: LEMON Manuals is launched! Read the announcement.

Power Steering Box

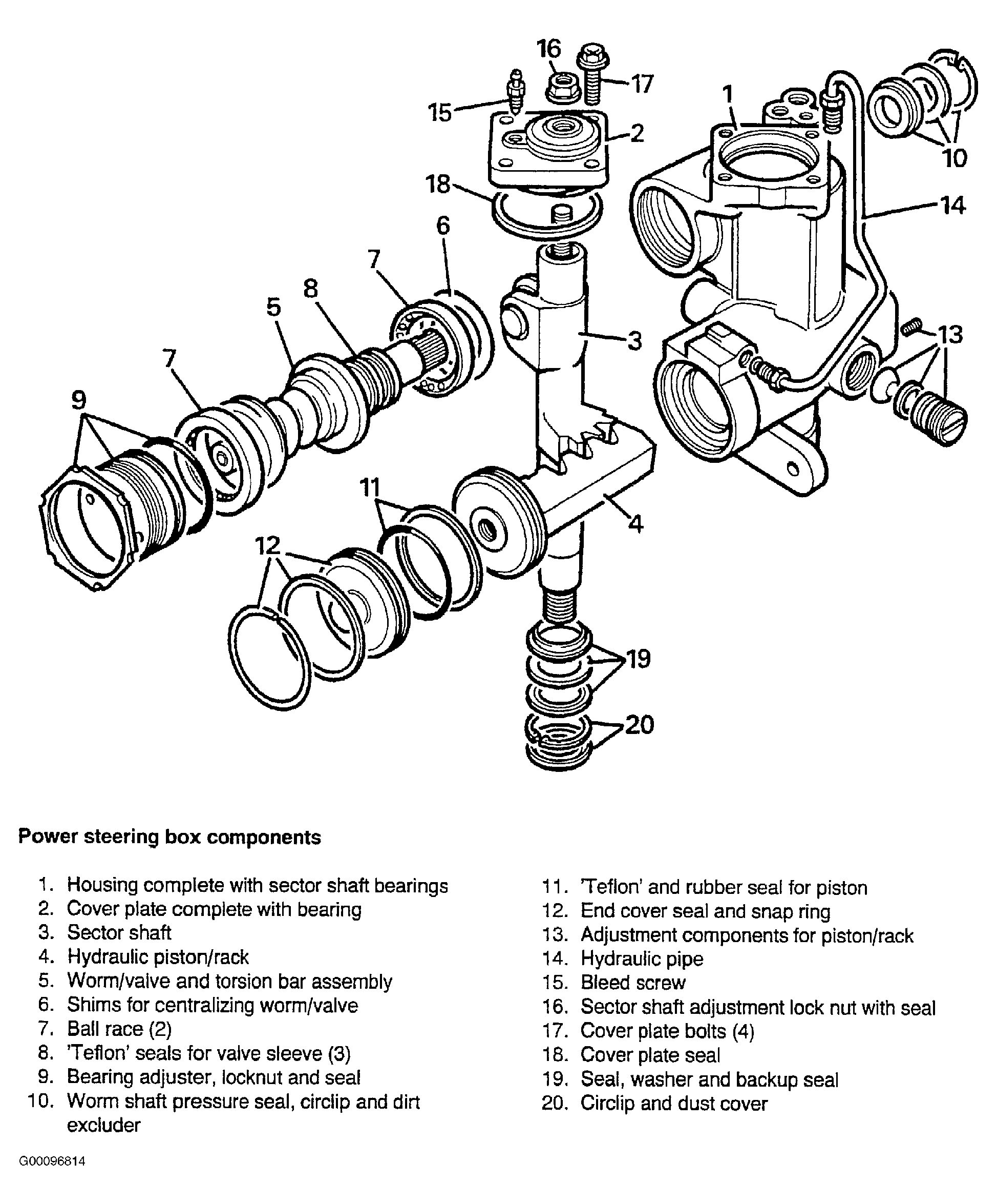
The power steering box is a Adwest Varamatic worm and roller type. The ratio and variable, straight ahead, is 19.3:1 and 17.2:1 on lock. Lock-to-lock it completes 3.375 steering wheel turns. See Fig 1 .

The steering box is located behind the second cross member of the chassis and is connected to the road wheels by the drag link and track rod. See Figure . A hydraulic damper, connected between the differential housing and the track rod, absorbs shocks in the steering caused by road wheel deflections when operating on rough terrain.

Fig 1: Exploded View Of Power Steering Box
G00096814Courtesy of LAND ROVER NORTH AMERICA, INC.