LEMON Manuals: Even more car manuals for everyone: 1960-2025
Home >> Chevrolet >> 2001 >> Venture Base, Van Cargo Extended >> Repair and Diagnosis >> Accessories & Equipment >> Communication Devices >> Body Control Modules >> System Tests >> Test E: Scan Tool Does Not Communicate With Class 2 Device >> Testing
April 5, 2026: LEMON Manuals is launched! Read the announcement.

Test E: Scan Tool Does Not Communicate With Class 2 Device: Testing

  1. Connect scan tool to DLC. DLC is located below left side of instrument panel, to right of steering column. See Figure . If scan tool powers up, go to next step. If scan tool does not power up, perform TEST F: SCAN TOOL DOES NOT POWER UP  .
  2. Turn ignition switch to RUN position, with engine off. Try to establish scan tool communication with each module on class 2 serial data link (on GM Tech 2 scan tools, use CLASS 2 MESSAGE MONITOR feature). To identify modules on class 2 serial data link, see appropriate DATA LINK CONNECTORS article in WIRING DIAGRAMS. Record all modules communicating on class 2 serial data link. Compare list of modules communicating with scan tool to list of modules connected on class 2 serial data link. If scan tool communicates with any module, go to next step. If scan tool does not communicate with any module, go to step  7 .
  3. Select DISPLAY DTCs for each module. Record each DTC, DTC status and module which stored DTC. If any DTC between U1000 and U1305 exist, go to next step. If no DTCs between U1000 and U1305 exist, see DIAGNOSTIC AIDS  .
  4. If DTC U1300, U1301 or U1305 are retrieved from any module, go to next step. If DTC U1300, U1301 or U1305 are not retrieved from any module, see DIAGNOSTIC AIDS  .
  5. Test class 2 serial data circuit between DLC terminal No. 2 (Purple wire) and each module for short to ground or intermittent short to voltage. See appropriate DATA LINK CONNECTOR article in WIRING DIAGRAMS. See Fig 1 . See DIAGNOSING INTERMITTENTS  . If no problem is found, go to next step. If problem is found, repair as necessary. After repair, go to step  27 .
  6. If DTC U1000 or U1255 are only DTCs displayed in range specified in step  3 , perform DTC U1000 & DTC U1255: CLASS 2 COMMUNICATION MALFUNCTION  under DIAGNOSTIC TESTS. If DTC U1000 or U1255 are not displayed in range specified in step  3 , perform DTC U1001-U1254: LOSS OF COMMUNICATION WITH XXX  under DIAGNOSTIC TESTS.
  7. Turn ignition switch to LOCK position. Disconnect scan tool from DLC. Inspect DLC connector terminals No. 2 (Purple wire) and No. 5 (Black wire) for poor terminal contact. If no problem is found, go to next step. If problem is found, repair as necessary. After repair, perform appropriate diagnostic system check for system in which customer concern is apparent. See DIAGNOSTIC SYSTEM CHECK  table under SELF-DIAGNOSTIC SYSTEM.
  8. Test Black wire between ground and DLC terminal No. 5 for an open. See Fig 1 . See appropriate GROUND DISTRIBUTION article in WIRING DIAGRAMS. If no problem is found, go to next step. If problem is found, repair as necessary. After repair, perform appropriate diagnostic system check for system in which customer concern is apparent. See DIAGNOSTIC SYSTEM CHECK  table under SELF-DIAGNOSTIC SYSTEM.
  9. NOTE: Splice pack SP205 connector may also be referred to as star connector.
  10. Disconnect splice pack SP205 connectors located in DLC harness. See Figure . Inspect for poor terminal contact at splice pack SP205 connectors. If no problem is found, go to next step. If problem is found, repair as necessary. After repair, perform appropriate diagnostic system check for system in which customer concern is apparent. See DIAGNOSTIC SYSTEM CHECK  table under SELF-DIAGNOSTIC SYSTEM.
  11. Test Purple wire between DLC terminal No. 2 and splice pack SP205 connector terminal "A" for an open or short. See Fig 1 and Fig 2 . If no problem is found, go to next step. If problem is found, repair as necessary. After repair, perform appropriate diagnostic system check for system in which customer concern is apparent. See DIAGNOSTIC SYSTEM CHECK  table under SELF-DIAGNOSTIC SYSTEM.
    Fig 1: Identifying Data Link Connector Terminals
    G97H28412Courtesy of GENERAL MOTORS CORP.
    Fig 2: Identifying Splice Pack SP205 Connector Terminals
    G98G00444Courtesy of GENERAL MOTORS CORP.
  12. NOTE: This step isolates Powertrain Control Module (PCM) class 2 serial data circuit.
  13. Connect a jumper between splice pack SP205 connector terminal "A" (Purple wire) and terminal "B" (Dark Green wire). See Fig 2 . Turn ignition switch to RUN position, with engine off. Try to communicate with PCM. If scan tool does not communicate with PCM, go to next step. If scan tool communicates with PCM, go to step  13 .
  14. Turn ignition switch to LOCK position. Disconnect PCM harness connectors. Test for short to ground and short to voltage (with ignition switch in RUN position, with engine off) in class 2 serial data circuit (Dark Green wire) between splice pack SP205 connector terminal "B" and PCM harness connector C1 terminal A5. See Fig 2 and Fig 3 . See appropriate DATA LINK CONNECTORS article in WIRING DIAGRAMS. If no problem is found, go to step  25 . If problem is found, repair as necessary. After repair, go to step  27 .
    Fig 3: Identifying Powertrain Control Module Harness Connector C1 & C2 Terminals
    G00039874Courtesy of GENERAL MOTORS CORP.
  15. NOTE: This step isolates Supplemental Inflatable Restraint (SIR) system Sensing and Diagnostic Module (SDM) class 2 serial data circuit.
  16. Remove jumper wire from SP205 connector terminal "B" (Dark Green wire) and connect jumper wire to SP205 connector terminal "F" (Dark Blue wire). See Turn ignition switch to RUN position, with engine off. Try to communicate with SDM. If scan tool does not communicate with SDM, go to next step. If scan tool communicates with SDM, go to step  15 .
  17. Turn ignition switch to LOCK position. Disconnect SDM harness connector. SDM is located under right front seat. See Figure . Test for short to ground and short to voltage (with ignition switch in RUN position, with engine off) in class 2 serial data circuit (Dark Blue wire) between splice pack SP205 harness connector terminal "F" and SDM harness connector terminal A4. See Fig 2 and Fig 4 . See appropriate DATA LINK CONNECTORS article in WIRING DIAGRAMS. If no problem is found, go to step  25 . If problem is found, repair as necessary. After repair, go to step  27 .
    Fig 4: Identifying Sensing & Diagnostic Module Harness Connector Terminals
    G00059250Courtesy of GENERAL MOTORS CORP.
  18. NOTE: This step isolates Electronic Brake Control Module (EBCM) class 2 serial data circuit.
  19. Disconnect jumper wire from splice pack SP205 harness connector terminal "F" (Dark Blue wire) and connect jumper wire to splice pack SP205 harness connector terminal "E" (Light Blue wire). See Fig 2 . Turn ignition switch to RUN position, with engine off. Try to communicate with EBCM. If scan tool does not communicate with EBCM, go to next step. If scan tool communicates with EBCM, go to step  17 .
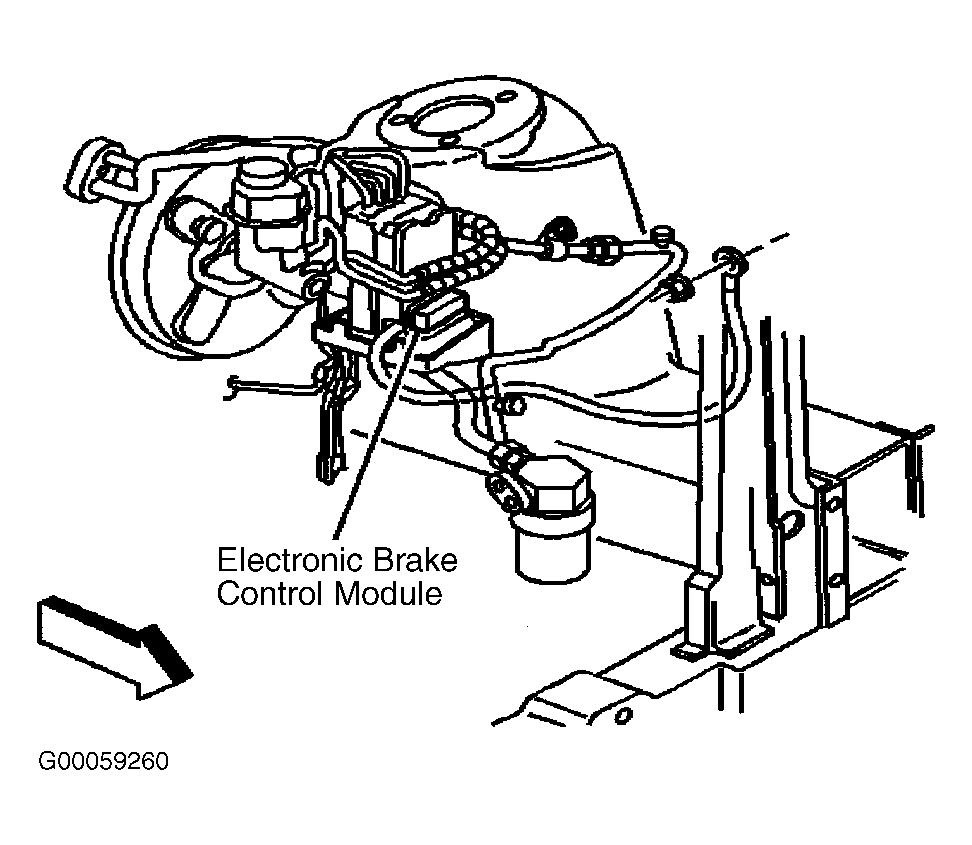
  20. Turn ignition switch to LOCK position. Disconnect EBCM harness connector. EBCM is located on brake master cylinder. See Figure . Test for short to ground or short to voltage (with ignition switch in RUN position, with engine off) in class 2 serial data circuit (Light Blue wire) between splice pack SP205 harness connector terminal "E" and EBCM harness connector terminal C8. See Fig 2 and Fig 5 . See appropriate DATA LINK CONNECTORS article in WIRING DIAGRAMS. If no problem is found, go to step  25 . If problem is found, repair as necessary. After repair, go to step  27 .
    Fig 5: Identifying Electronic Brake Control Module Harness Connector Terminals
    G00059251Courtesy of GENERAL MOTORS CORP.
  21. NOTE: This step isolates Instrument Panel Cluster (IPC) module class 2 serial data circuit.
  22. Disconnect jumper wire from splice pack SP205 harness connector terminal "E" (Light Blue wire) and connect jumper wire to splice pack SP205 harness connector terminal "G" (Gray wire). See Fig 2 . Turn ignition switch to RUN position, with engine off. Try to communicate with IPC module. If scan tool does not communicate with IPC module, go to next step. If scan tool communicates with IPC module, go to step  19 .
  23. Turn ignition switch to LOCK position. Disconnect IPC connectors. Test for short to ground and short to voltage (with ignition switch in RUN position, with engine off) in class 2 serial data circuit (Gray wire) between IPC module harness connector C2 terminal "F" and splice pack SP205 harness connector terminal "G". See Figure and Fig 2 . See appropriate DATA LINK CONNECTORS article in WIRING DIAGRAMS. If no problem is found, go to step  25 . If problem is found, repair as necessary. After repair, go to step  27 .
  24. NOTE: This step isolates theft deterrent control module class 2 serial data circuit. Theft deterrent control module may also be referred to as PASS-KEY(R) III (PK3) module.
  25. Disconnect jumper wire from splice pack SP205 harness connector terminal "G" (Gray wire). Connect jumper wire to splice pack SP205 harness connector terminal "M" (Purple wire). See Fig 2 . Turn ignition switch to RUN position, with engine off. Try to communicate with theft deterrent control module. If scan tool does not communicate with theft deterrent control module, go to next step. If scan tool communicates with theft deterrent control module, go to step  21 .
  26. Turn ignition switch to LOCK position. Disconnect theft deterrent control module harness connector. Theft deterrent control module is located in steering column, surrounding ignition lock cylinder. See Figure . Test for short to ground and short to voltage (with ignition switch in RUN position, with engine off) in class 2 serial data circuit (Purple wire) between splice pack SP205 in-line harness connector terminal "M" and theft deterrent control module harness connector "C". See Fig 2 and Fig 6 . If no problem is found, go to step  25 . If problem is found, repair as necessary. After repair, go to step  27 .
    Fig 6: Identifying Theft Deterrent Control Module Harness Connector Terminals
    G00059253Courtesy of GENERAL MOTORS CORP.
  27. NOTE: This step isolates Driver Information Center (DIC) class 2 serial data circuit.
  28. Disconnect jumper wire from splice pack SP205 harness connector terminal "M" (Purple wire) and connect jumper wire to splice pack SP205 harness connector terminal "K" (Yellow wire). See Fig 2 . Turn ignition switch to RUN position, with engine off. Try to communicate with DIC. If scan tool communicates with DIC, go to next step. If scan tool does not communicate with DIC, go to step  23 .
  29. NOTE: This step isolates radio class 2 serial data circuit.
  30. Disconnect jumper wire from splice pack SP205 harness connector terminal "K" (Yellow wire) and connect jumper wire to splice pack SP205 harness connector terminal "D" (Orange wire). See Fig 2 . Turn ignition switch to RUN position, with engine off. Try to communicate with radio. If scan tool does not communicate with radio, go to step  24 . If scan tool communicates with radio, go to step  27 .
  31. Turn ignition switch to LOCK position. Disconnect DIC harness connector. DIC is located in roof console. Test for short to ground and short to voltage (with ignition switch in RUN position, with engine off) in class 2 serial data circuit (Yellow wire) between splice pack SP205 harness connector terminal "K" and DIC harness connector terminal No. 15. See Fig 2 and Fig 7 . See appropriate DATA LINK CONNECTORS article in WIRING DIAGRAMS. If no problem is found, go to step  25 . If problem is found, repair as necessary. After repair, go to step  27 .
    Fig 7: Identifying Driver Information Center Harness Connector Terminals
    G00059254Courtesy of GENERAL MOTORS CORP.
  32. Turn ignition switch to LOCK position. Disconnect radio 24-pin harness connector C1. Turn ignition switch to RUN position, with engine off. Test for short to ground and short to voltage (with ignition switch in RUN position, with engine off) in class 2 data circuit (Orange wire) between splice pack SP205 harness connector terminal "D" and radio harness connector C1 terminal A1. See Fig 2 and Fig 8 . See appropriate DATA LINK CONNECTORS article in WIRING DIAGRAMS. If no problem is found, go to next step. If problem is found, repair as necessary. After repair, go to step  27 .
    Fig 8: Identifying Radio 24-Pin Harness Connector C1 Terminals
    G00059255Courtesy of GENERAL MOTORS CORP.
  33. Inspect for poor terminal contact at class 2 serial data circuit of module that is not communicating. If no problem is found, go to next step. If problem is found, repair as necessary. After repair, go to step  27 .
  34. Replace control module which is not communicating properly. See appropriate procedure under REMOVAL & INSTALLATION  . After repair, go to next step.
  35. NOTE: In this step, scan tool may require a power up reset before communication will occur due to a short in class 2 serial data circuit. Ensure scan tool is off or is disconnected before performing test.
  36. Connect all disconnected harness connectors and components. Connect scan tool to DLC. Turn ignition switch to RUN position, with engine off. Wait 10 seconds. Select DISPLAY DTCs function for each module on class 2 serial data link (on GM Tech 2 scan tools, use CLASS 2 MESSAGE MONITOR feature). Record all DTCs and DTC status. If no current DTCs beginning with "U" exist, go to next step. If any current DTCs beginning with "U" exist, go to step  29 .
  37. If any DTCs that do not begin with "U" exist, go to next step. If no DTCs exist, go to step  31 .
  38. Perform appropriate test. See DIAGNOSTIC TROUBLE CODE DEFINITIONS  under SELF-DIAGNOSTIC SYSTEM.
  39. If all DTCs have been diagnosed, go to next step. If all DTCs have not been diagnosed, go to step  29 .
  40. Using scan tool, clear DTCs. Test is complete.